产品详情



专业音响是为使用者提供服务的资本,可靠、耐用及效果显著是市场中必然的要求。因此,有超过70年专业音箱生产经验的JBL推出了丁集效果,非常高性价比的SRX700系列。十几年来,JBL SR和SRX系列音箱,象征着好的音质、优的产品质量而闻名于世,受到广大舞台演出工作者的爱戴和推颂。JBL厂家借此再次推出新款SRX700系列音箱,除保持SR系列优良的传统特性外,音箱外型更为美观,更为轻便。
SRX700系列音箱采用先进的功率传输技术和更佳的专业扩声演出性能。同时,JBL的技术创新使音箱的重量大大减轻,使音箱的安装拆卸更为快捷方便,所有这些优良特性和先进技术,尽在SRX700系列中。
功率大
SRX700系列中的扬声器,让您更放心使用的新一代低频驱动器,这种新型驱动器比同类产品其它牌子的性能更好,重量更轻,灵敏度更高,功率更大,可靠性更强,充分显示了JBL喇叭王国的超卓风范。SRX700 的功率输出已是同行业中的高技术,很多其他厂家更无法制造出这样高灵敏度,高声压值的音箱。
重量轻
SRX700系列采用与钕磁钢、差分驱动专利技术的低音扬声器。钕磁钢的性能可用几盎司的重量替代数磅重量的传统磁钢。其他扬声器工厂也采用钕磁钢时,JBL 公司的工程师创造了一种减轻磁路钢顶板和后板以及全部磁路极板重量的新设计;JBL 差分驱动的双音圈专利技术,把音圈经确地放置在小的钕磁钢中,可获得更大的功率处理能力,这种新设计减轻了扬声器的重量、提高了功率容量、降低了失真和减少了功率压缩。对工程施工或演出工作人员有很大帮助。更安全、更高效、更放心。
结构
为了不断追求,JBL在采用木材,表面处理,品质管理方面也不遗余力地进步及要求高标准。SRX700采用波罗的海桦木胶合板建造,箱体表面采用JBL专用的耐磨“DuraFlex”涂层;箱体内部使用许多坚固的支撑架和隔墙,使箱体非常坚固,减少了因箱板共震产生的声音干涉。16#标准孔栅钢板从箱体侧面围绕覆盖前面板,因此,音箱前面板上没有产生声音干扰的突起边缘。钢栅里边设有一层透声的泡沫材料,给扬声器提供附加的防尘防水保护,形成非常专业、坚固结实的外形。
吊挂
如果需要一种可拆御的吊挂装置,采用选购件SRX-FF3飞行配件,包括与SRX700F 滑轨模块连结的3个配件。固定安装选用JBL 229-00009-01 选购件,包括3个 M10螺栓滑轨垫圈。全部SRX700F吊装型号均设有 5个吊挂点。SRX700二路和三路扬声器箱的飞行吊挂方式可利用 SRX700F 滑轮模块配件,它们给固定安装提供螺栓导轨垫圈等经济的选购件,或给便携式应用提供方便的、可拆卸的滑轨配件,给多种应用提供正确的安装硬件选择
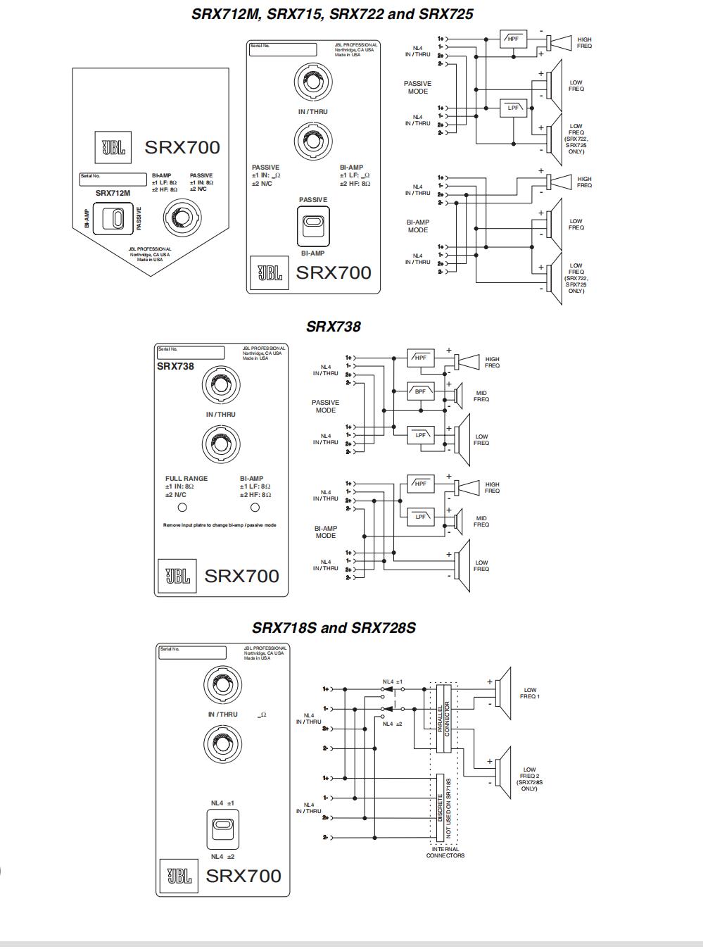
双功放或全频
——单功放运行
所有SRX700二路或三路扬声器都可用单功放或双功放驱动。驱动模式可用现在流行的、安装在音箱输入面板上的拨动开关进行转换。超低音扬声器中的开关采用相同的安排:选择±1或±2。
JBL100小时的严格试验
如果您有机会参观JBL的工厂,戴上一套工业听力保护器,通过隔声门,进入JBL功率测试房。这是JBL测试扬声器设计功率限额的地方。在100小时的试验中,我们提出一种新的设计理念:寻找在实际使用中有可能遇到的弊病。使用有 6dB峰值因子的随机噪声信号输入高功率功放冲击扬声器系统。这种试验迫使低音扬声器高频压缩驱动器和分频器部件发热和产生机械限幅。如果扬声器系统有某个薄弱环节,经试验可在扬声器系统设计完成之前找到这些问题,现在世界上没有一家生产企业使用比 JBL 更加苛刻的测试标准。只有这样,JBL才能成为全球佳专业音箱品牌之一。更在中国无数次被国家机关、企业、个体所采用。
7种型号
SRX700全系列有7个型号,可自由搭配,满足每个场地的特定要求。为了使工程商按实际场地要求来发挥音箱效果,又不破坏音箱体,SRX700 特设有按不同需要的吊挂点。还有,用户可按预算和实际使用要求选取双功放或单功放驱动模式,以便全面发挥JBL音箱的佳效果。
SRX712M—12"两路舞台监听扬声器
SRX712M 的设计目标是:构建一种尽可能轻、体积小、声压级高、声音清晰和外形漂亮的舞台监听(返送)专业扬声器。SRX712M 使用一个 12" 差分驱动低音扬声器和一个3"音圈直径的高频压缩驱动器。扬声器系统的功率处理能力为 800W(连续功率),高度仅为13.75"(349mm),50°x90°的覆盖角可覆盖舞台上演员的全部位置。为给扬声器获得多种应用,SRX712M还可用三脚架安装或用一个JBL双角度杆安装在一个超低音扬声器箱上面,可提供0°或向下倾10°的安装角,使观众区的声场覆盖达到佳效果。使用dbxDriveRack信号控制器的用户可用控制把舞台返听的SRX712M扬声器或室内扩声用的SRX712M扬声器(需用双功放驱动)调整到佳效果。吊挂或固定安装,可选用SRX712M-YK托架安装附件
SRX712M
音箱类型:12",2路,反射式低音,舞台返听/多用途扬声器
频率范围(-10dB):70Hz-20kHz
频率响应(±3dB):83Hz-18kHz
覆盖角(HxV):90°x50°
体积(高x宽x深) :349x546x260mm
净重:15kg(33 磅)
低频驱动器:1xJBL2262H 差分驱动器
高频驱动器:1XJBL2431H 3"(音圈)压缩驱动器
灵敏度(1w/1m) :96dB(无源模式)
阻抗:8Ω
声压级:131dB@1m
额定功率:800W(连续)/1600W(节目)/3200W(峰值)
输入连接器:NL-4x2
吊挂/安装:双角度,35mm 柱杆插座,
选购件:SRX712M-YK支架的2xM10滑轨
附件:SRX712M-CVR保护软外套
SRX712M-YK吊挂/安装支架
流动演出场合实际应用
流动演出的音响设备必须结构紧凑,便于携带、运输和安装,可靠性高并能适应各种苛刻的使用环境。因此设备的选型特别重要,JBL SRX700 系列种类丰富,搭配方式自由灵活,无论在流动演出市场,还是固定安装方面,都可以轻松,快速的找到相应的解决方案。
一、2xSRX712M系统
适用面积:100平方以下,如演讲、中小型产品推广会等室内或户外场合
声压级:106dB–114dB
远投射15米
频率范围(-10dB):31Hz-220Hz
频率响应(±3dB):34Hz-220Hz
体积(高x宽x深):508 x 597 x 749mm
净重:36kg(79 磅)
低频驱动器:1xJBL 2268H 差分驱动器
灵敏度(1w/1m):95dB
阻抗:8Ω
声压级:130dB@1m
额定功率:800W(连续)/1600W(节目)/3200W(峰值)
柱杆安装:顶部安装 M20 螺纹插座,用于选购件 SS4-BK 柱杆配套件
附件:SRX718S-CVR 保护软外套
SS4-BK:可调节的挂载柱杆
WK-4:手推滑轮车套件
SRX725
音箱:音箱类型:双15",2路,反射式低音
频率范围(-10dB):37Hz-20KHz
频率响应(±3dB):53Hz-20KHz
覆盖角(H×V):75°×50°
体积(高×宽×深):1219×541×508mm
净重:45kg(100磅)
低频驱动器:2×JBL 2265H 差分驱动器
高频驱动器: 1×JBL 2451H 4"(音圈)压缩驱动器
灵敏度(1W/1m): 99dB(无源模式)
阻抗: 4Ω
大声压级: 136dB@1m
额定功率: 1200W(连续)/2400W(节目)/4800W(峰值)
吊挂/安装: 5个导规和M10吊挂点
附件: SRX725-CVR把手衬垫盖
SRX-FF3: 3个可拆飞行配件
229-00009-01: 3×10mm锻造眼圈螺栓




